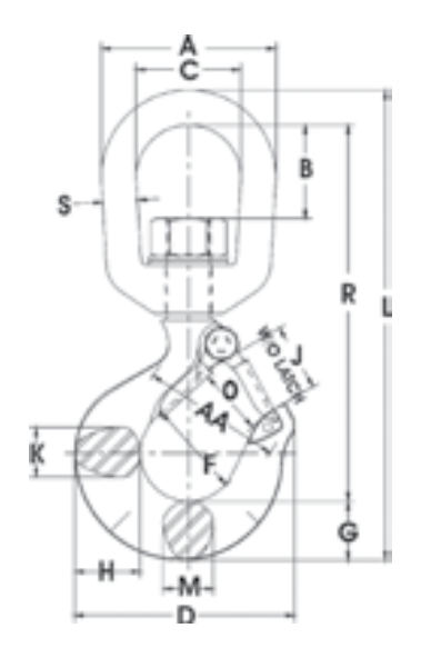
Swivel Hook Crosby L-322 CN.

Features:

  • Suitable for positioning of the hook before the load is lifted.
  • Swivel hooks are load rated.
  • Proper design, careful forging, and precision controlled quench and tempering gives maximum strength without excessive weight and bulk.

Hoist hooks incorporate markings forged into t

Show more

Part code:

Features:

  • Suitable for positioning of the hook before the load is lifted.
  • Swivel hooks are load rated.
  • Proper design, careful forging, and precision controlled quench and tempering gives maximum strength without excessive weight and bulk.

Hoist hooks incorporate markings forged into the product which address two (2) QUIC-CHECK® features:

  • Deformation Indicators -- Two strategically placed marks, one just below the shank or eye and the other on the hook tip, which allows for a QUIC-CHECK® measurement to determine if the throat opening has changed, thus indicating abuse or overload.
  • Angle Indicators — Indicates the maximum included angle which is allowed between two (2) sling legs in the hook. These indicators also provide the opportunity to approximate other included angles between two sling legs.
  • Material: Carbon steel - Forged, Quenched & Tempered.
  • Marking: CE-marked
  • Note: This hook is a positioning device and is not intended to rotate under load.
  • Safety factor: 5:1
  • Grade: 4
Australian Standard: AS 3776